当前的位置:
首页
>
通知公告
002
87360215-7362-41bb-ab5e-ab09f7579bc8
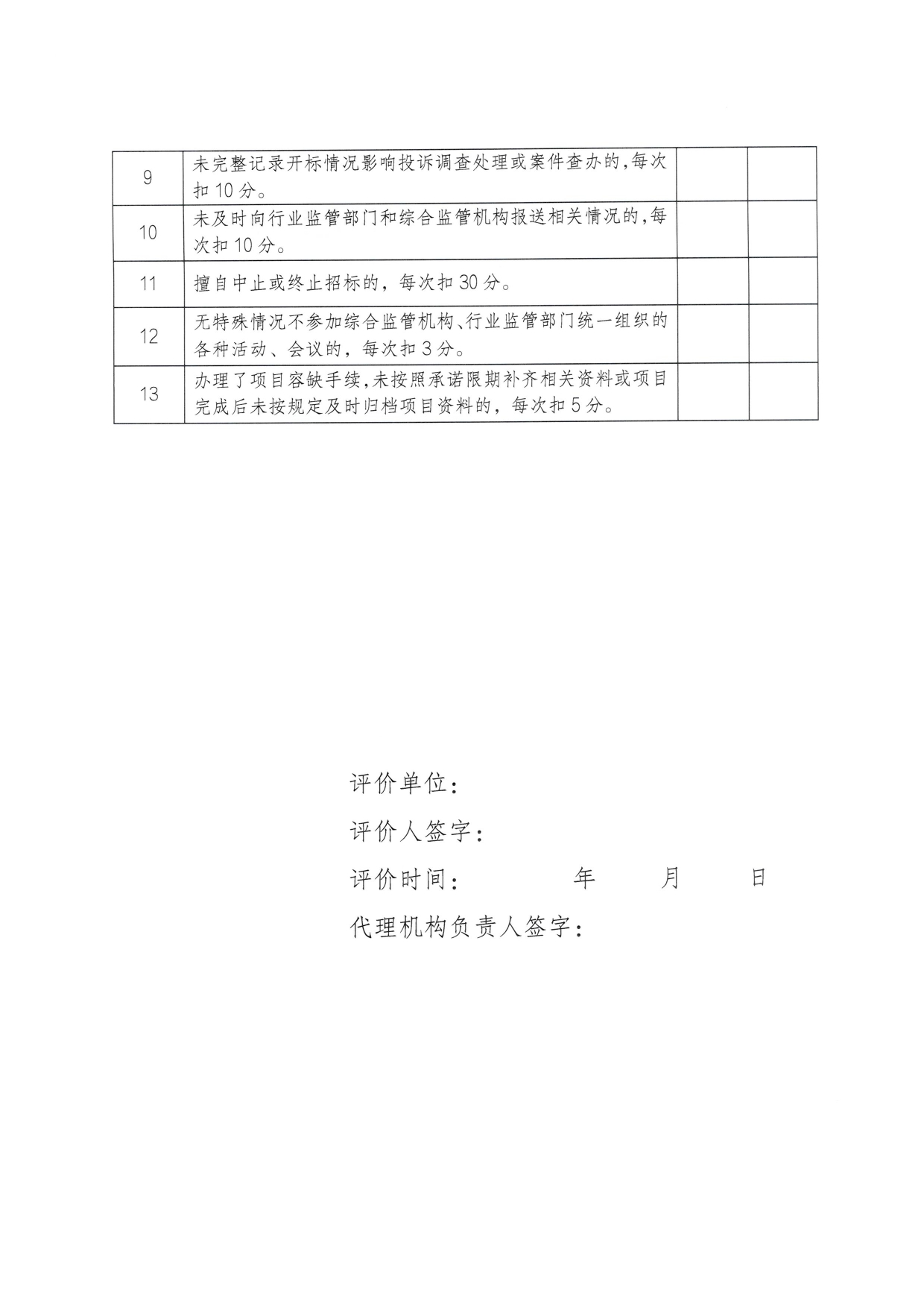
关于修订《孝感市招标代理机构量化考核办法(试行)》的通知
发布时间:2023-08-25 10:23
浏览:
次